Опис
Виготовлення роликів на стрічкові конвеєри.
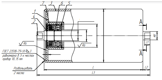
Ролики конвеєрні виготовляються довжиною від 160 мм до 1800 мм і стандартними діаметрами 63, 76, 89, 102, 108, 127, 133, 152, 159 мм.
Ролики виготовляються відповідно до вимог ГОСТ 28628 і конструкторської документації, яка затверджена на підприємстві, а також на вимогу замовника.
В підшипниковий вузол роликів входить шарикопідшипник (204, 205, 206, 304, 305,306, 307, 408) і ущільнення.






Відправити відгук